CIVIC CANINE > Dog Waste Receptacle
A tasteful design with a sole purpose of managing dog excrements, this receptacle also allows space for special biodegradable bags which helps to address the current challenges experienced by most cities and municipalities. Front door opening reveals ease of access to both removal of waste together with refreshing bag refills.
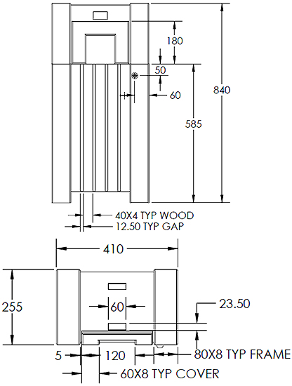
Length: 410mm
Width: 255mm
Height: 840mm
Mounting: Surface anchor bolts
Finish: #304 stainless steel
Technical Reference Drawing
**Final product design may not be exactly as shown
Material Specifications
Stainless steel, Recycled plastic wood planks, galvanized steel inside liner, Locking mechanism, #304 Stainless steel hardware.









































































































